
● 测量范围:±125Pa~±100kPa
● 数字输出压力(24位)和温度(24位)
● 宽线性范围的I2C输出
● 宽电压供电(3V-3.6V)
● 工作温度范围-20至+85℃
● 存储温度范围-40至+125℃
● 工业用途:压力开关和气动元件
● 医疗用途:血压计、制氧机
● 环境控制:洁净室和吸烟室
● 便携设备
| 参数 | 标志 | 最小值 | 典型值 | 最大值 | 单位 | 备注 |
| 上电复位 | VDDPOR | 2.74 | 2.83 | V | ||
| 工作电流 | Iavdd | 2 | 3 | mA | 工作模式 | |
| 200 | nA | 待机电流 | ||||
| ADC分辨率 | RESRAW | 24 | Bits | |||
| 输出压力精度1,2 | ACC | 1 | %FS | 0°C ~ 60°C | ||
| 1.5 | %FS | -20°C ~ 70°C | ||||
| 上电时间 | TUP | 100 | ms | |||
| EEPROM数据保持 | Tlive | 10 | years | @125℃ |
| 描述 | NO. | 引脚定义 | 说明 |
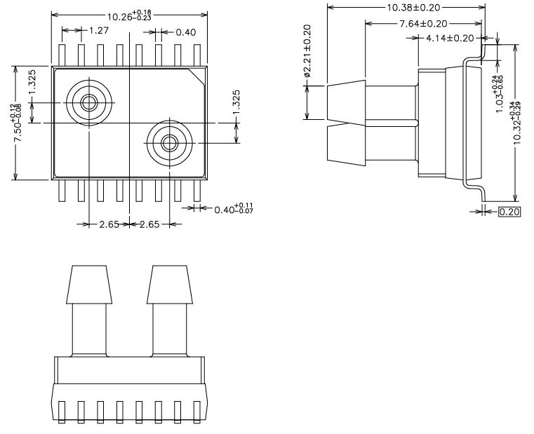
![]() |
1 | N/C | 悬空 |
| 2 | N/C | 电源 | |
| 3 | N/C | 悬空 | |
| 4 | N/C | 悬空 | |
| 5 | N/C | 悬空 | |
| 6 | GND | 地 | |
| 7 | VDD | 电源 | |
| 8 | N/C | 悬空 | |
| 9 | N/C | 悬空 | |
| 10 | SDA | I²C串行双向数据引脚 | |
| 11 | SCL | I²C串行时钟输入引脚 | |
| 12 | N/C | 悬空 | |
| 13 | N/C | 悬空 | |
| 14 | N/C | 悬空 | |
| 15 | N/C | 悬空 | |
| 16 | N/C | 悬空 |
